欢迎光临珠海智选电气有限公司官方网站
语言选择:
∷
Toggle navigation
网站首页
公司简介
产品中心
测温产品
智能仪表
监控系统
弧光保护器
云平台
智能照明
电弧保护
智能监测系统
路灯照明系统
定位器系列
新闻中心
公司新闻
行业新闻
科技创新
下载中心
帮助文档
产品样本
案例展示
联系我们
智能照明控制模块
ZX-0616/20A 6路智能照明控制模块
商品编号:ZX-0616/20A
上架时间:2021-08-08
ZX-0616/20A 6路智能照明控制模块
在线订购
技术参数
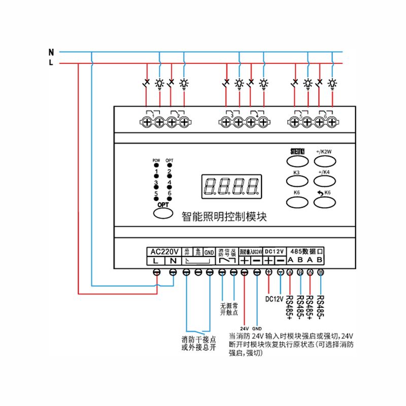
■ 型号规格∶ZX-0616/20A
■ 工作电压∶AC220V
■ 标称电流∶16A
■ 输出回路∶6 路
■ 功耗∶<4W
■ 通讯方式∶RS485 通讯,标准Modbus-RTU 通讯协议
■ 外形尺寸∶126x104x66mm
功能特点
■ 数码显示;
■ 通讯地址可设定;
■ 消防联动,强启强切可设定;
■ 全开全关延时可设定;
■ 上电模式可设定;
■ 掉电记忆功能可选择;
■ 波特率可设定;
■ 可恢复出厂设置;
■ 远程集中控制与就地控制;
■ 应急手动控制;
■ 消防信号反馈;
■ 后台或面板场景设定;
■ 后台或面板负载状态显示;
■ 可外加照度检测人体红外微波感应;
■ 可外加无线控制(手机电脑、PAD);
■ 可加电流检测;
■ 标准导轨安装
外形尺寸图
接线原理图
相关产品
PAPAGO行车记录仪1
产品中心
测温产品
+
无线测温
热成像测温
环境温度
智能仪器仪表
+
数显电流仪表
智能操控装置
微机保护
综合状态分析仪
电量变送器
智能除湿装置
电流互感器过压保护器
智能电源监控单元
马达保护器
弧光保护
监控系统
+
交流精密配电监控系统
综合环境监控系统
气体在线监控系统
智慧安全用电系统
无线振动系统
云平台
+
云平台
智能照明控制系统
+
照明控制模块
照明时控模块
调光模块
窗帘模块
智能采集模块
控制面板
智能网络模块
电源模块
以太网监控器
传感器
管理系统
故障电弧保护断路器
+
故障电弧保护断路器
故障电弧探测器
故障电弧探测主机
智能监测系统
+
馈线型智能监测系统
母线型智能监测系统
开关柜局放在线监测装置
烟雾传感器
路灯照明系统
+
路灯照明节电装置
路灯照明稳压调控装置
定位器系列
+
联系我们
联系人:费经理
手机:13532240816
电话:0756-8689902
邮箱:313354138@qq.com
地址:珠海市香洲区南屏科技工业园屏北一路26号厂房
首页
手机
分类
顶部
关闭
技术支持
售前咨询
关闭
用手机扫描二维码
关闭